Huh just noticed, the Red LEDs inside the Phonitor are the same ones I used to bias my Darkvoice’s Driver Tube Cathode, neat.
thats brilliant, never thought about it lol. i got a shit ton of 120mm silent fans around =p
Also I just tested Every single transistor on the board, and on the power regulators NPN and PNP, the all seem to test perfectly, so idk wtf happened with the Phonitor, I might turn it on then since nothing seems wrong.
Posted this in the wrong chat just right now, oof.
my lyr goes out for no reason every once in a while on something that is extremely dynamic. IE ill be playing Warships, have a vibrant musical dynamic song playing, fire bb guns with their loud explosion, and the lyr will go out for 20 seconds. Ghosts in the shell? lol
Could just be nothing, fuses do sometimes just fail. Could have been a temporary short, some 2.5mm to 1/4 inch adapters are pretty terrible.
I assume you visually inspected the board, if something failed and caused a short, it’s likely something got hot enough to leave a mark.
Nope, no marks, didoes and transistors are impeccable and pass the multi-meter test with the exception of the two I had to remove, but that was due to the board, when tested individually, they functioned perfectly, the 12V Relay at the 1/4 inch output was also in perfect condition with no internal burns.
The most likely scenario in this case was a bad 3.5mm to 6.35mm adapter, since when being compared to the screw on 6.35mm adapters found on my Aeons and T1s MkIIs, as well as the proprietary adapter on the HD600 cable, those all had identical sizes from base to tip, same tip sizes, as well as identical insulation spacing between L/R/G. The One that broke my IEMs, was not identical.
The Adapter that was used on the IEMs that were broken had slightly different dimensions, and smaller spacing between L/R/G, with a slightly larger Ground Sleeve. While it tested fine on the multimemter, I was able to accidentally cause a short if the Plug were to be slightly pulled out or wiggled, which I was incapable of being able to reproduce consistently on the other 6.35mm Plugs when inserted into the Phonitor 2’s Jack and attempted to cause a short testing it with a Multimeter (The Amp was not on, it was just to test the contacts).
If the Bad Plug was moved, it would cause a short consistently, shorting L/R/G inside the amp, if the Good plugs were moved, they either did not short, or sprang out of the amp enough as to not be in contact with any of the Jack’s contacts, and in the few times it did short, it was usually L/R, while ground was still active, so I would theorize it would just play Mono, but that was a rarity in of itself.
Oh when I say I tested all the transistors, I mean ALL of them, even the super tiny Surface mount ones, pain in the ass, but at least they seem to work. Idk, I’ll power it on once I stop being paranoid.
Welp, Fuses blew, LEDs lit up and nothing burnt since I was looking at it, tempted to say it’s an issue with one of the power regulation boards or an issue with a relay. Unless the fuses were somehow bad, I’m guessing Relay, since usually that’s what I’ve heard makes headphone pop, (Just look at the Lyr and Asgard 2 Amps, both had issues with headphones being popped/DC issues, both had relay issues, either not having them or a fault). Idk, gonna see how you check relays tomorrow I guess.
If anyone wants to chime in on what blown fuses actually means in this case, I’m all ears.
Ok new possibility, Due to the way the amp failed, since it broke my IEMs at the Output, and the fact that all the LEDs at the power supply lit up, I think the thing that’s making the amp short are the two vertical boards nearest the output that are going to the 12V relay.
I’m going to remove them tomorrow, check them, see if anything is acting weird, if not, I’ll go and check the Relays, then the Op Amps, which I think is unlikely but idk.
So TL;DR, here’s what I think is broken:
- Vertical Boards near Output
- Vertical Boards/Relays Near the TL072CP Op Amp and the Op-Amp Itself
- Check TL071CP (Maybe, but idk)
Oh Also,if it is the vertical boards, going to see if SPL sells them in any capacity if I show proof of owning an amp, and if not, I’ll just buy an Air Solder Station and go from there.
Well if the fuses are blowing something is drawing too much current.
If you don’t know what the circuit is, it’s going to be hard to test, since you can’t apply power.
One option is to break the circuit at various points and figure at where the short or low resistance is from that.
Check for resistance to Ground from the headphone out.
Note: SPL seems to have QA problems…
Well you’re going to love this tid-bit, but for some reason, none of the “Grounds” of the Inputs or Outputs are actually connected to ground, or the chassis for that matter. Idk, maybe it’s a part of having a floating power supply? Like the board has a ground (CONN 3), but nothing on the board actually uses that ground, like none of the caps save for 1 Grey Film Cap has their negatives connected to ground, and trust me I tested it.
Idk, In tube amps for example, usually Ground is like, Ground, if you get the Shields/Ground Sleeves of any of the inputs/outputs, it goes to the Grounding Pin on the Amps Inlet.
As for the Inputs/Outputs, idk, I need to check where the heck the Ground Sleeve is actually being connected to, honestly this Amp is going to be one hell of a trip to figure out, thankfully it’s simple enough to desolder most things in it, save for the Vertical Boards, and I hope it’s something that I can desolder with some precision using a normal iron, if it’s one of those tiny transistors tho, well shit.
Sounds very strange to me. Especially since the shielding of the shield in balanced only works when shield is connected to chassis ground, else the shield just turns into an antenna.
The odd design decisions are piling up. Good Luck
Ikr, the whole ground thing is weird, usually I’ve read that the best way to prevent external noise getting into the signal is to wrap ground around the signal, but in this case, idk, maybe there’s something in the circuit, a virtual ground using resistors or something like they do to “Center-Tap” transformers without an actual Center-Tap?
Honestly this is so weird, but like I stated in my process above, gonna check those two boards at the Output first, since I don’t think anything at the signal input or at the power supply is causing it, has to be something smaller that can cause a sudden over-current but be too small to notice if it’s broken/ show no visible burn marks due to how small it is, besides an issue at the power supply would have been messier, and probably more noticeable since the size of the components would correlate to requiring higher amounts of heat/power to cause faliure, and in theory, a noticeable amount of physical damage.
Something discrete like what’s on the boards, wouldn’t need too much electrical stress to break down any dielectric forces found inside the component such as a transistor.
After that, going to work backwards into the amplification circuit and see what’s going on from there. If nothing comes up, I’ll check the Power Supply, but Idk, I still think it’s unlikely.
I was thinking it was possibly the VU’s Buffer circuit but that’s unlikely since it measures from the start of the circuit where the input signal is, and idk, seems weird that a buffer circuit for a VU can blow a headphone up, seems odd for it to suddenly siphon current that way, especially since it shouldn’t have anything to do with the Output of the Amp.
Also not taking any chances, going to buy new Op-Amps just in case, I mean they cost literal cents, not going to break the bank buying some replacements.
Ok, so I’ve been reading up a bit, and this isn’t the first time this has happened, where their amps can short and produce High Voltage/Current on the headphone out (Quarter Inch, Balanced doesn’t have this issue since L-/L+ and R-/R+ both go in at the same time). Thing is, the amp sometimes just . . .shorts on it’s own.
Kinda confirms what I was thinking, definitely has to be the HP out section that shorted, but what worries me is that it shorts on it’s own (I Muted the Amp First, With the Potentiometer at 0, then unmuted it and raised the volume), so even if I do fix it, it may eventually short again and take out another one of my HPs. Idk, now this just has me paranoid, I thought it was just because the amp was B-Stock, but now it can just be that it will short at any time.
Like, here’s what I found on this:
https://www.reddit.com/r/headphones/comments/a19jfy/plugged_my_k702_into_my_spl_phonitor_mini_today/
https://www.superbestaudiofriends.org/index.php?threads/spl-phonitor-x-e.3574/page-4
Idek if I can get a refund on Reverb for this, I mean, if the amp just . . . Dies at random, is that good enough of an excuse, idk, don’t want to chicken out on fixing it, but also don’t want it to die again due to the design. Idk, if an amp is a ticking time-bomb of short circuits and nuking headphones, what would y’all do?
Look don’t get me wrong, I have a very boring day to day life, so having the chance to fix a 1200 Dollar amp essentially turns me on, but what worries me is that without modification to the circuit, the Amp can LITERALLY die at any moment if using the unbalanced out. It was even stated in one of the articles I posted that just having a slightly different scaled adapter can cause a short.
Idk, like, I can send it to SPL for a fix, but that’s something I can do and won’t resolve the underlying issue that the amp can go Boom if I just look at it funny. God and it sounded so good too, it’s like that one saying, the fire that burns brightest burns half as long, except it isn’t metaphorical and will literally burn either way ;-;.
Idk, maybe I can study the Vertical Boards and put Very Very Very Beefy Components in it’s place, especially Thicc and Beefy Transistors so shorting doesn’t, oh idk, nuke my stuff.
wow, good thing i heard about this, i was thinking of buying a spl amp. do you think the phonitor E would have the same problem?
At this point, iedk, haven’t heard any issues from it, maybe use it balanced to save yourself from the risk.
That is bad. As in “I would return that ASAP”-bad.
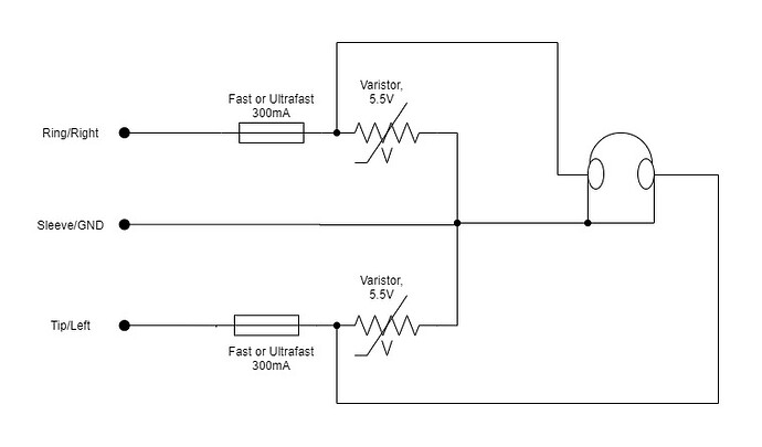
To prevent overvoltage, the easiest way is to have an adapter board with varistors that clamp the voltage down 5.5V in case of failure.
In-line fast-blow (or even utlra-fast) SMD fuses in line to break the connection at 300mA should also be in place.
WARNING: Place fuses BEFORE varistors, else the short-to-ground in fault conditions will damage or destroy the amp!
TL;DR:
Build a surge protector for your headphones.
Yeah, I mean, idk how a Darkvoice that I messed with, like alot, when I was still a Soldering Pleb has never given me any issues after I manged to get it quiet, nothing at all, and a 1200 dollar German Amp has such a flaw as being able to let High DC voltages into the HP output without any form of protection.
Great Diagram BTW, just learned what a Varistor is.
Idek anymore, if it was broken I wouldn’t mind fixing it, I’d eventually find the broken bit through just checking all the components and seeing which one(s) don’t function correctly, but the fact that it can break AGAIN spontaneously even if you follow the correct way to insert HP by muting and lowering the volume, idk, it sounded amazing but not worth playing Amp Roulette where the loser is always me.
Only way I can see me using it again is if I beefed up all the components so they can handle the shorts, or maybe add that protection circuit you displayed, then again the protection circuit still doesn’t stop the amp from breaking, just stops my headphones from breaking.
Besides beefing up the amp with equivalent full sized components requires more space than it has inside, and I’d rather not experiment too heavily in this case since I wouldn’t even be able to return it, especially if getting higher tolerance parts doesn’t work, makes it more of an Oof than what this situation already is. Makes sense that the smaller components wouldn’t be able to handle 120V rails I guess, usually SS amps run at much lower voltages.
Hopefully I can return it tho, idek, sorry for chickening out, but idk, the spontaneous ability to break isn’t worth attempting to repair it if this is the case. I’ll contact Reverb and see if they can handle the returns, I don’t even mind a partial refund either, idk need to recoup my losses.
Dang, worst thing is that I bought this thing since it seems to be an easier amp to repair, since a lot of the components are full sized and thus easier to remove and replace (The diode I took out took like a minute to take out, and another minute to clean the holes on the board of solder, reinsert, and resolder), but it just doesn’t matter if it’s going to break frequently, like a Glass Cannon, powerful but fragile.
Welp there goes the rest of my already fleeting pride, sorry again for chickening out, but If I keep it I’ll just be paranoid of the next time it breaks.
IMO, it’s not enough to just have the volume down, Either should pause playback from the source while plugging into the single-ended and/or switch the power on the front. Just anecdotally, I’ve used the Phonitor E with IEMs reasonably extensively without any issues. Maybe I’ve just been lucky.
My mindset when using the amp is that it’s not designed like a typical ‘consumer’ amp with the typical safe-guards in-mind and just follow the proper procedures every time.
The RNHP very much is the same way, albeit with a lot less power, so it’s less likely you’ll blow something up.
This site can do it all: https://www.draw.io
Is indeed nearly impossible to trouble shoot.
I would RMA it and get something not SPL. Looking into them, their quality assurance seems to bei neither quality nor assurance.
Solid decision. It is obviously a flawed design that is not communicated correctly.
Does not make a difference. The amp stage is always at full tilt as long as power is on.
The RNHP is a properly designed (allthough the input filtering could have used $5 worth of components) standard headphone amp based arround a TI-chip (texas instruments knows what they do in semi-conductors).
